超音波探傷 IIW試験片
IIW試験片
IIW(International Institute of Welding:国際溶接学会)規格の試験片です。
鋼(1018 Steel)、ステンレス(304 Stainless Steel)、アルミニウム(7075 Aluminum)、チタン(Titanium 6/4)、ハステロイ(Hastelloy X)、インコネル(Inconel 600)、モネル(Monel 400)の7種類の材料を用意しています。校正証明書およびケース(木箱)が付属します。
IIW Type 1
入射点や屈折角の測定や測定範囲・感度の調整に使用します。
| 規格: | IIW、ASTM-E-164、MIL-STD-2154 |
|---|---|
| 用途: | 入射点・屈折角の測定、測定範囲・感度の調整(射角探傷)、測定範囲の調整(垂直探傷)、分解能と感度の確認 |
| 材料: | 鋼、ステンレス、アルミニウム、チタン、ハステロイ、インコネル、モネル |
| 付属品: | ケース、校正証明書 |
IIW Type 2
IIW Type 1を改良して製作された試験片です。入射点・屈折角の測定や測定範囲・感度の調整に使用します。
| 規格: | IIW、USAF T.O. 33B-1-1(6-1-84) |
|---|---|
| 用途: | 入射点・屈折角の測定、測定範囲・感度の調整(射角探傷)、測定範囲の調整(垂直探傷)、分解能と感度の確認 |
| 材料: | 鋼、ステンレス、アルミニウム、チタン、ハステロイ、インコネル、モネル |
| 付属品: | ケース、校正証明書 |
Mini IIW Type 2
IIW Type 2のミニサイズ・軽量版の試験片です。
| 用途: | 入射点・屈折角の測定、測定範囲・感度の調整(射角探傷)、測定範囲の調整(垂直探傷)、分解能と感度の確認 |
|---|---|
| 材料: | 鋼、ステンレス、アルミニウム、チタン、ハステロイ、インコネル、モネル |
| 付属品: | ケース、校正証明書 |
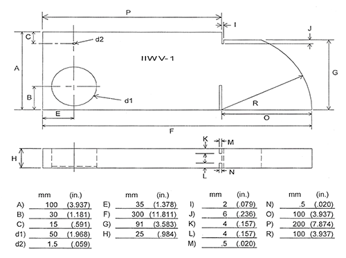
IIW V-1
ミリ仕様のIIW試験片です。入射点や屈折角の測定や測定範囲・感度の調整に使用します。
*横穴の径が規格により異なります。ISO 2400は3mm、BS 2704は1.5mmです。ご注文の際は穴径(規格)を指定ください。
| 規格: | IIW、ISO 2400、BS 2704、AS 2083 |
|---|---|
| 用途: | 入射点・屈折角の測定、測定範囲・感度の調整(射角探傷)、測定範囲の調整(垂直探傷)、分解能と感度の確認 |
| 材料: | 鋼、ステンレス、アルミニウム、チタン、ハステロイ、インコネル、モネル |
| 付属品: | ケース、校正証明書 |
| その他: | 穴径1.5/3mmから選択(ISO 2400:3mm、 BS 2704:1.5mm) |
V-2
ミリ仕様の現場用の小型の試験片です。入射点や屈折角、測定範囲・感度の調整に使用します。
| 規格: | ISO 7963、BS 2704、AS 2083 |
|---|---|
| 用途: | 入射点・屈折角の測定、測定範囲・感度の調整(射角探傷) |
| 材料: | 鋼、ステンレス、アルミニウム、チタン、ハステロイ、インコネル、モネル |
| 付属品: | ケース、校正証明書 |
| その他: | 板厚12.5/20/25mm、穴径1.5/5mmから選択 |
